Вентилятор центробежный пылевой ВЦП 7-40
Артикул: ВЦП 7-40 🖶 Распечатать упрощённую версию
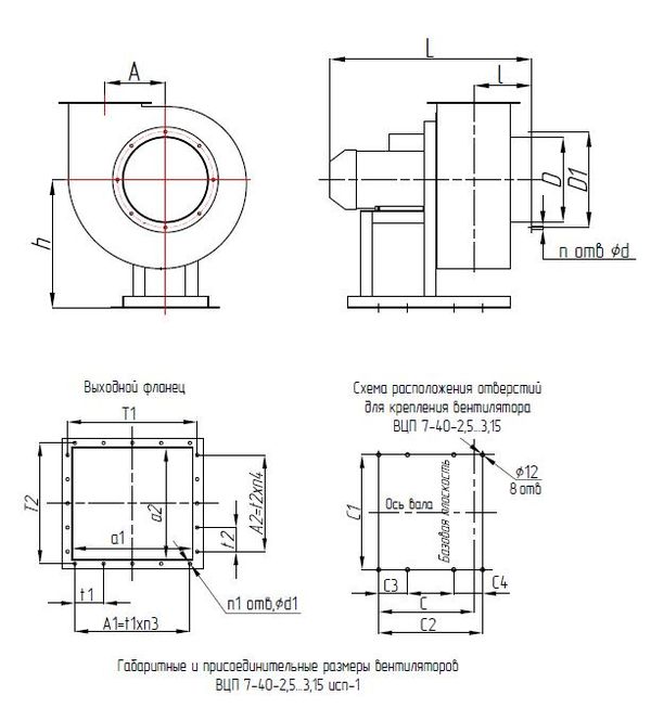
Вентилятор центробежный пылевой марки ВЦП 7-40 среднего давления одностороннего всасывания конструктивно выполнен в виде моноблока. На раме из металлопроката установлен металлический спиральный кожух по типу «улитка», который может вращаться и изменять направление напорного патрубка относительно опорной поверхности. На обоих патрубках корпуса предусмотрены монтажные фланцы с отверстиями под болтовое крепление к воздуховодам вентиляционной сети. Внутри корпуса располагается рабочее колесо с шестью лопатками, которые загнуты в сторону вращения. Вентиляторы ВЦП 7-40 изготавливаются в двух исполнениях: правого и левого вращения (относительно привода).
Аналогичными технико-эксплуатационными характеристиками обладают следующие марки вентиляционного оборудования: ВР 140-40, ВР 100-45, ВРП 115-45 и ВР 6-45. Перечисленные типы вентиляторов полностью взаимозаменяемы.
Вентиляторы ВР 140-40, ВР 100-45, ВРП 115-45 и ВР 6-45 – среднего давления одностороннего всасывания, предназначены для работы с запыленными воздушными и газовоздушными средами и могут использоваться в системах вентиляции общего назначения, а также в составе технологических установок различного назначения.
- ✗ Уточняйте наличие
- Цена:По запросу Получить скидку!
Общая информация
Характеристики



Габаритные и присоединительные размеры вентиляторов ВЦП 7-40 исп-1
| № маш |
A, мм |
A1, мм | A2, мм | C, мм | C1, мм | C2, мм | C3, мм | C4, мм | D, мм | D1, мм | L, мм | T1, мм | T2, мм |
| 2,5 | 163 | 130 | 130 | 258 | 220 | 282 | 80 | 80 | 140 | 170 | 465 | 209 | 186 |
| 3,15 | 205 | 168 | 150 | 293 | 256 | 348 | 80 | 80 | 215 | 245 | 570 | 254 | 221 |
| 4 | 175 | 320 | 285 | 480 | 415 | 590 | --- | --- | 262 | 294 | 795 | 320 | 285 |
| 5 | 250 | 200 | 200 | 540 | 390 | 638 | --- | --- | 350 | 390 | 950 | 342 | 342 |
| 6,3 | 315 | 300 | 300 | 591 | 502 | 810 | --- | --- | 440 | 500 | 1040 | 418 | 418 |
| 8 | 400 | 400 | 400 | 766 | 730 | 922 | --- | --- | 560 | 610 | 1345 | 520 | 520 |
| 10 | 600 | 600 | 600 | 875 | 1040 | 1100 | --- | --- | 700 | 745 | 1590 | 660 | 660 |
| № маш |
a1, мм | a2, мм | d, мм | d1, мм | h, мм | n, шт. | n1, шт. | n3, шт. | n4, шт. | t1, шт. | t2, шт. | l, мм |
| 2,5 | 175 | 150 | 7 | 7 | 300 | 8 | 12 | 2 | 2 | 65 | 65 | 106 |
| 3,15 | 221 | 189 | 7 | 7 | 360 | 8 | 8 | 1 | 1 | 168 | 150 | 132 |
| 4 | 276 | 236 | 7 | 7 | 400 | 8 | 12 | 3 | 3 | 105 | 95 | 171 |
| 5 | 300 | 300 | 11 | 11 | 500 | 8 | 12 | 2 | 2 | 100 | 100 | 250 |
| 6,3 | 378 | 378 | 11 | 11 | 670 | 8 | 16 | 3 | 3 | 100 | 100 | 303 |
| 8 | 480 | 480 | 11 | 11 | 750 | 12 | 20 | 4 | 4 | 100 | 100 | 388 |
| 10 | 610 | 610 | 11 | 11 | 1035 | 16 | 28 | 6 | 6 | 100 | 100 | 408 |
Размеры, зависящие от положения корпуса вентиляторов ВЦП 7-40 исп-1
| Типоразмер вентилятора |
Пр 0º | Пр 45º | Пр 90º | ||||||
| В, мм | b, мм | H, мм | В, мм | b, мм | H, мм | В, мм | b, мм | H, мм | |
| 2,5 | 468 | 191 | 183 | 412 | 175 | 326 | 405 | 222 | 277 |
| 3,15 | 596 | 248 | 243 | 530 | 230 | 418 | 526 | 283 | 348 |
| 4 | 611 | 256 | 243 | 542 | 242 | 422 | 528 | 286 | 355 |
| 5 | 773 | 333 | 333 | 700 | 315 | 547 | 701 | 368 | 440 |
| 6,3 | 978 | 423 | 401 | 887 | 402 | 676 | 866 | 465 | 555 |
| 8 | 1201 | 524 | 500 | 1109 | 494 | 833 | 1084 | 584 | 677 |
| 10 | 1665 | 710 | 615 | 1520 | 660 | 1110 | 1424 | 810 | 955 |
| Типоразмер вентилятора |
Пр 135º | Пр 270º | Пр 315º | ||||||
| В, мм | b, мм | H, мм | В, мм | b, мм | H, мм | В, мм | b, мм | H, мм | |
| 2,5 | 532 | 206 | 237 | 405 | 222 | 191 | 532 | 206 | 175 |
| 3,15 | 683 | 265 | 300 | 526 | 283 | 248 | 683 | 265 | 230 |
| 4 | 693 | 271 | 300 | 528 | 286 | 256 | 693 | 271 | 242 |
| 5 | 897 | 350 | 385 | 701 | 368 | 333 | 897 | 350 | 315 |
| 6,3 | 1120 | 444 | 486 | 866 | 465 | 423 | 1120 | 444 | 402 |
| 8 | 1387 | 554 | 614 | 1084 | 584 | 524 | 1387 | 554 | 494 |
| 10 | 1870 | 760 | 860 | 1424 | 810 | 710 | 1870 | 760 | 660 |


Габаритные и присоединительные размеры вентиляторов ВЦП 7-40 исп-5
| № маш |
A, мм | A1, мм | A2, мм | C, мм | C1, мм | C2, мм | C3, мм | D, мм | D1, мм | L, мм | T1, мм | T2, мм |
| 4 | 175 | 320 | 285 | 531 | 677 | 660 | --- | 262 | 294 | 840 | 320 | 285 |
| 5 | 250 | 200 | 200 | 563 | 698 | 410 | 570 | 350 | 390 | 931 | 342 | 342 |
| 6,3 | 315 | 300 | 300 | 615 | 825 | 352 | 662 | 440 | 500 | 1036 | 418 | 418 |
| 8 | 400 | 400 | 400 | 679 | 942 | 500 | 834 | 560 | 610 | 1100 | 520 | 520 |
| 10 | 600 | 600 | 600 | 864 | 1199 | 789 | 801 | 700 | 745 | 1392 | 660 | 660 |
| 12,5 | 750 | 750 | 750 | 987 | 1460 | 880 | 1088 | 875 | 925 | 1650 | 925 | 925 |
| № маш |
a1, мм | a2, мм | d, мм | d1, мм | d2, мм | h, мм | n, шт. | n1, шт. | n3, шт. | n4, шт. | t1, шт. | t2, шт. | l, мм |
| 4 | 276 | 236 | 7 | 7 | 14 | 400 | 8 | 12 | 3 | 3 | 105 | 95 | 171 |
| 5 | 300 | 300 | 11 | 11 | 16 | 500 | 8 | 12 | 2 | 2 | 100 | 100 | 250 |
| 6,3 | 378 | 378 | 11 | 11 | 14 | 670 | 8 | 16 | 3 | 3 | 100 | 100 | 303 |
| 8 | 480 | 480 | 11 | 11 | 14 | 750 | 12 | 20 | 4 | 4 | 100 | 100 | 388 |
| 10 | 610 | 610 | 11 | 11 | 16 | 1035 | 16 | 28 | 6 | 6 | 100 | 100 | 408 |
| 12,5 | 875 | 875 | 11 | 11 | 20 | 1330 | 16 | 28 | 6 | 6 | 125 | 125 | 541 |
Размеры, зависящие от положения корпуса вентиляторов ВЦП 7-40 исп-5
| Типоразмер вентилятора |
Пр 0º | Пр 45º | Пр 90º | ||||||
| В, мм | b, мм | H, мм | В, мм | b, мм | H, мм | В, мм | b, мм | H, мм | |
| 4 | 875 | 355 | 243 | 820 | 300 | 422 | 805 | 286 | 355 |
| 5 | 1237 | 440 | 333 | 1182 | 385 | 547 | 1165 | 368 | 440 |
| 6,3 | 1411 | 555 | 401 | 1342 | 486 | 676 | 1321 | 465 | 555 |
| 8 | 1896 | 678 | 500 | 1833 | 614 | 833 | 1802 | 584 | 677 |
| 10 | 2419 | 955 | 615 | 2324 | 860 | 1110 | 2274 | 810 | 955 |
| 12,5 | 2847 | 1238 | 765 | 2729 | 1120 | 1416 | 2657 | 1048 | 1238 |
| Типоразмер вентилятора |
Пр 135º | Пр 270º | Пр 315º | ||||||
| В, мм | b, мм | H, мм | В, мм | b, мм | H, мм | В, мм | b, мм | H, мм | |
| 4 | 791 | 271 | 300 | 763 | 243 | 256 | 942 | 422 | 242 |
| 5 | 1147 | 350 | 385 | 1130 | 333 | 333 | 1344 | 547 | 315 |
| 6,3 | 1300 | 444 | 486 | 1257 | 401 | 423 | 1532 | 676 | 402 |
| 8 | 1772 | 554 | 614 | 1718 | 500 | 524 | 2051 | 833 | 494 |
| 10 | 2224 | 760 | 860 | 2079 | 615 | 710 | 2574 | 1110 | 660 |
| 12,5 | 2585 | 976 | 1119 | 2374 | 765 | 903 | 3025 | 1416 | 830 |
| Типоразмер вентилятора |
Пр 135º | Пр 270º | Пр 315º | ||||||
| В, мм | b, мм | H, мм | В, мм | b, мм | H, мм | В, мм | b, мм | H, мм | |
| 4 | 791 | 271 | 300 | 763 | 243 | 256 | 942 | 422 | 242 |
| 5 | 1147 | 350 | 385 | 1130 | 333 | 333 | 1344 | 547 | 315 |
| 6,3 | 1300 | 444 | 486 | 1257 | 401 | 423 | 1532 | 676 | 402 |
| 8 | 1772 | 554 | 614 | 1718 | 500 | 524 | 2051 | 833 | 494 |
| 10 | 2224 | 760 | 860 | 2079 | 615 | 710 | 2574 | 1110 | 660 |
| 12,5 | 2585 | 976 | 1119 | 2374 | 765 | 903 | 3025 | 1416 | 830 |
Аналоги ВЦП 7-40
Аналогичными технико-эксплуатационными характеристиками обладают следующие марки вентиляционного оборудования: ВР 140-40, ВР 100-45, ВРП 115-45 и ВР 6-45. Перечисленные типы вентиляторов полностью взаимозаменяемы.
Вентиляторы ВР 140-40, ВР 100-45, ВРП 115-45 и ВР 6-45 – среднего давления одностороннего всасывания, предназначены для работы с запыленными воздушными и газовоздушными средами и могут использоваться в системах вентиляции общего назначения, а также в составе технологических установок различного назначения.
| Вентиляторы ВЦП 7-40 | Электродвигатель | Параметры в рабочей зоне | Виброизоляторы | Масса не более, кг | Объем вентилятора, V м3 | ||||
| Типоразмер | Мощность, кВт | Частота вращения, мин -1 | Производительность, 10³ х м³/сек | Полное давление, | Тип | Кол-во | |||
| Па | |||||||||
| №2,5 схема 1 | 5А80МА2 | 1,5 | 2850 | 0,73-1,4 | 1130-1040 | ДО38 | 4 | 23 | 1,2 |
| 5А80МВ2 | 2,2 | 2850 | 0,73-1,5 | 1130-860 | ДО38 | 4 | 24,5 | ||
| №3,15 схема 1 | 5А80МВ2 | 2,2 | 2800 | 1,53-2,8 | 1790-1650 | ДО38 | 4 | 36 | 1,8 |
| АИР90L2 | 3 | 3000 | 1,53-3,3 | 1790-1150 | ДО38 | 4 | 37 | ||
| АИР100S2 | 4 | 2850 | 1,53-3,3 | 1790-1150 | ДО38 | 4 | 38 | ||
| №4 схема 1 | АИР100S2 | 4 | 2870 | 2,5-4,9 | 2790-2700 | ДО39 | 4 | 54 | 2,2 |
| АИР100L2 | 5,5 | 2870 | 2,5-6,2 | 2790-1650 | ДО39 | 4 | 70,5 | ||
| АИР112М2 | 7,5 | 3000 | 2,5-6,2 | 2790-1650 | ДО39 | 4 | 81 | ||
| №5 схема 1 | АИР112МА6 | 3 | 1000 | 2,2-5,0 | 1020-780 | ДО40 | 4 | 120 | 3,8 |
| АИР112М4 | 5,5 | 1450 | 2,2-5,0 | 1020-780 | ДО40 | 4 | 165 | ||
| АИР132S4 | 7,5 | 1500 | 2,2-5,2 | 1020-780 | ДО40 | 4 | 182 | ||
| АИР132М4 | 11 | 1500 | 2,2-5,2 | 1020-780 | ДО40 | 4 | 220 | ||
| АИР160S4 | 15 | 1500 | 2,2-5,2 | 1020-780 | ДО40 | 4 | 280 | ||
| №5 схема 5 | АИР112М4 | 5,5 | 1620 | 2,4-5,5 | 1280-970 | ДО42 | 6 | 351 | 3,8 |
| АИР112М4 | 5,5 | 1810 | 2,7-6,2 | 1600-1220 | ДО42 | 6 | 360 | ||
| АИР112М4 | 5,5 | 2030 | 3,0-5,2 | 2000-1840 | ДО42 | 6 | 362 | ||
| АИР132S4 | 7,5 | 1631 | 3,0-7,3 | 2000-1600 | ДО42 | 6 | 366 | ||
| АИР132S4 | 7,5 | 1813 | 3,0-7,3 | 2000-1600 | ДО42 | 6 | 368 | ||
| АИР132S4 | 7.5 | 2030 | 3,4-7.3 | 2550-1600 | ДО42 | 6 | 387 | ||
| АИР132S4 | 7.5 | 2285 | 3,4-5.8 | 2550-2350 | ДО42 | 6 | 389 | ||
| АИР132M4 | 11 | 1637 | 3,7-7.2 | 3250-2700 | ДО42 | 6 | 393 | ||
| АИР132М4 | 11 | 1819 | 3,7-7,2 | 3250-2700 | ДО42 | 6 | 395 | ||
| АИР132М4 | 11 | 2037 | 3,7-7,2 | 3250-2700 | ДО42 | 6 | 398 | ||
| АИР132М4 | 11 | 2285 | 3,4-8,0 | 2550-2000 | ДО42 | 6 | 411 | ||
| АИР132M4 | 11 | 2575 | 3,7-7,2 | 3250-2700 | ДО42 | 6 | 422 | ||
| АИР160S4 | 15 | 1611 | 3,7-9,0 | 3250-2450 | ДО42 | 6 | 430 | ||
| АИР160S4 | 15 | 1812 | 3,7-9,0 | 3250-2450 | ДО42 | 6 | 432 | ||
| АИР160S4 | 15 | 2030 | 3,7-9,0 | 3250-2450 | ДО42 | 6 | 434 | ||
| АИР160S4 | 15 | 2256 | 3,7-9,0 | 3250-2450 | ДО42 | 6 | 438 | ||
| АИР160S4 | 15 | 2575 | 3,7-9,0 | 3250-2450 | ДО42 | 6 | 476 | ||
| №6,3 схема 1 | АИР132S4 | 7,5 | 1500 | 5,7-9,4 | 1690-1450 | ДО41 | 4 | 200 | 3,6 |
| АИР132М4 | 11 | 1450 | 5,7-9,4 | 1690-1450 | ДО41 | 4 | 245 | ||
| АИР160S4 | 15 | 1500 | 5,7-9,4 | 1690-1450 | ДО41 | 4 | 285 | ||
| №6,3 схема 5 | АИР132S4 | 7,5 | 1450 | 6,3-10,5 | 1690-1450 | ДО42 | 6 | 460 | 5,1 |
| АИР132S4 | 7,5 | 1624 | 6,3-10,5 | 1690-1450 | ДО42 | 6 | 460 | ||
| АИР132M4 | 11 | 1615 | 6,3-10,5 | 2100-1800 | ДО42 | 6 | 492 | ||
| АИР160S4 | 15 | 1624 | 7,0-11,0 | 2600-2300 | ДО42 | 6 | 510 | ||
| АИР160S4 | 15 | 1810 | 7,0-11,0 | 2600-2300 | ДО42 | 6 | 541 | ||
| АИР160M4 | 18,5 | 1810 | 7,0-13,5 | 2600-2100 | ДО42 | 6 | 554 | ||
| АИР160M4 | 18,5 | 1624 | 8,0-10,4 | 3300-3100 | ДО42 | 6 | 560 | ||
| АИР160M4 | 18,5 | 2040 | 8,0-10,4 | 3300-3100 | ДО42 | 6 | 582 | ||
| АИР180S4 | 22 | 1641 | 8,0-13,2 | 3300-2900 | ДО42 | 6 | 560 | ||
| АИР180S4 | 22 | 1831 | 8,0-13,2 | 3300-2900 | ДО42 | 6 | 562 | ||
| АИР180S4 | 22 | 2040 | 8,0-13,2 | 3300-2900 | ДО42 | 6 | 566 | ||
| АИР180S4 | 22 | 2271 | 8,0-13,2 | 3300-2900 | ДО42 | 6 | 570 | ||
| №8 схема 1 | АИР160M4 | 18,5 | 1450 | 8,0-16,0 | 2600-2200 | ДО43 | 4 | 427 | 2,2 |
| АИР180S4 | 22 | 1500 | 8,0-16,0 | 2600-2200 | ДО43 | 4 | 427 | ||
| АИР180M4 | 30 | 1500 | 8,0-16,0 | 2600-2200 | ДО43 | 4 | 427 | ||
| АИР200M4 | 37 | 1500 | 8,0-16,0 | 2600-2200 | ДО43 | 4 | 427 | ||
| №8 схема 5 | АИР160M4 | 18,5 | 1310 | 8,0-16,0 | 2600-2200 | ДО43 | 6 | 700 | 3,8 |
| АИР160M4 | 18,5 | 1450 | 8,0-16,0 | 2600-2200 | ДО43 | 6 | 715 | ||
| АИР180S4 | 22 | 1323 | 8,7-14,0 | 3200-2900 | ДО43 | 6 | 720 | ||
| АИР180S4 | 22 | 1450 | 8,0-19,0 | 2600-1950 | ДО43 | 6 | 733 | ||
| АИР180S4 | 22 | 1615 | 8,7-14,0 | 3200-2900 | ДО43 | 6 | 729 | ||
| АИР180М4 | 30 | 1328 | 10,0-15,5 | 4000-3600 | ДО43 | 6 | 740 | ||
| АИР180M4 | 30 | 1615 | 8,7-22,0 | 3200-2450 | ДО43 | 6 | 744 | ||
| АИР180M4 | 30 | 1810 | 10,0-15,0 | 4000-3600 | ДО43 | 6 | 758 | ||
| АИР200M4 | 37 | 1323 | 10,0-20,0 | 4000-3400 | ДО43 | 6 | 780 | ||
| АИР200M4 | 37 | 1470 | 10,0-20,0 | 4000-3400 | ДО43 | 6 | 786 | ||
| АИР200M4 | 37 | 1615 | 8,7-22,5 | 3200-2350 | ДО43 | 6 | 837 | ||
| АИР200M4 | 37 | 1810 | 10,0-20,0 | 4000-3400 | ДО43 | 6 | 844 | ||
| АИР200L4 | 45 | 1328 | 10,0-25,0 | 4000-2900 | ДО43 | 6 | 860 | ||
| АИР200L4 | 45 | 1470 | 10,0-25,0 | 4000-2900 | ДО43 | 6 | 865 | ||
| АИР200L4 | 45 | 1638 | 10,0-25,0 | 4000-2900 | ДО43 | 6 | 870 | ||
| АИР200L4 | 45 | 1810 | 10,0-25,0 | 4000-2900 | ДО43 | 6 | 884 | ||
| №10 схема 1 | АИР160М8 | 11 | 750 | 2,5-6,8 | 1080-770 | ДО43 | 6 | 680 | 3,6 |
| АИР200M6 | 22 | 1000 | 3,4-9,0 | 1990-1400 | ДО43 | 6 | 680 | ||
| АИР200L6 | 30 | 1000 | 3,4-9,2 | 2000-1420 | ДО43 | 6 | 720 | ||
| №10 схема 5 | АИР200L6 | 30 | 1080 | 2,5-8,0 | 1100-4400 | ДО43 | 6 | 1030 | 5,1 |
| №12 схема 1 | АИР225M8 | 30 | 750 | 5,3-13,5 | 1760-1250 | ДО43 | 6 | 985 | 6,8 |
| АИР250M6 | 55 | 1000 | 6,7-12,0 | 3170-3000 | ДО43 | 6 | 1165 | ||
| АИР180S4 | 75 | 1000 | 6,7-18,0 | 3170-2300 | ДО43 | 6 | 1415 | ||
| №12 схема 5 | АИР250М6 | 55 | 1000 | 5,0-12,0 | 1800-3000 | ДО43 | 6 | 1590 | 8,0 |
