Вентилятор канальный ВКК
Артикул: ВКК 🖶 Распечатать упрощённую версию
Круглые и прямоугольные канальные вентиляторы получили широкое распространение в вентиляционных системах частных домов, гостиниц, ремонтных мастерских и других небольших производственных помещений с относительно непротяженной вентиляционной магистралью. Популярность прямоугольных и круглых канальных вентиляторов объясняется целым рядом преимуществ их эксплуатации:
• Компактные габариты
• Встроенные термоконтакты
• Возможность монтажа в любом положении
• Возможность плавного регулирования скорости
• Отсутствие необходимости в техническом обслуживании
• Высокая надежность работы
- ✗ Уточняйте наличие
- Цена:По запросу Получить скидку!
Общая информация
Характеристики
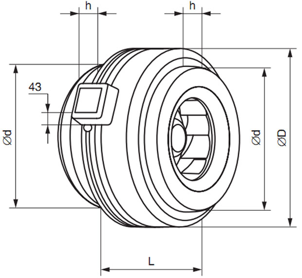
Габаритные и присоединительные размеры ВКК
| № Вентилятора | d | D | L | h |
| ВК 100 | 99 | 243 | 186 | 23 |
| ВК 125 | 124 | 243 | 187 | 27 |
| ВК 160 | 159 | 340 | 238 | 28 |
| ВК 200 | 199 | 342 | 243 | 25 |
| ВК 250 | 249 | 342 | 248 | 27 |
| ВК 315 | 315 | 402 | 269 | 25 |
| ВК 355 | 355 | 486 | 345 | 30 |

Условия эксплуатации
Канальные вентиляторы ВК бесшумные общего назначения рассчитаны на эксплуатацию в условиях умеренного климата по ГОСТ 15150 по второй категории размещения оборудования.
Температурный диапазон рабочей среды – от -40С до +60С.
Максимальная запыленность перемещаемого воздуха – 100 мг/м.куб.
Защита оборудования от пыли и влаги – IP44.
| Характеристика | ВК 100 | ВК 125 | ВК 160 | ВК 200 | ВК 250 | ВК 315 | ВК 355 |
| Напряжение, В/ частотв, Гц | -230/50 | -230/50 | -230/50 | -230/50 | -230/50 | -230/50 | -230/50 |
| Фазность | 1 | 1 | 1 | 1 | 1 | 1 | 1 |
| Потребляемая мощность, Вт | 82 | 82 | 85 | 135 | 135 | 225 | 190 |
| Ток, А | 0.3 | 0.3 | 0.38 | 0.6 | 0.6 | 1.05 | 1.47 |
| Мах расход воздуха, м3/ч | 250 | 320 | 700 | 950 | 1050 | 1800 | 2500 |
| Частота вращения, об/мин-1 | 2300 | 2300 | 2700 | 2650 | 2650 | 2700 | 1400 |
| Мах температура перемещаемого воздуха, С | 60 | 60 | 60 | 60 | 60 | 60 | 50 |
| Уровень звукового давления на расст. 3 м, дБ (А) | 48 | 44 | 52 | 51 | 46 | 49 | 53 |
| Класс защиты двигателя | IP44 | IP44 | IP44 | IP44 | IP44 | IP44 | IP44 |
| Ёмкость кондиционера, мкФ | 2 | 2 | 4 | 4 | 4 | 8 | 8 |
| Тип термозащиты |
Автоматическая
|
||||||
| Массы, кг | 3,2 | 3,3 | 4,5 | 5,3 | 5,3 | 6,9 | 11,5 |
| Регулятор скорости | Симисторный СРМ1, СРС1 | Симисторный СРМ2, СРС2 | |||||
| Электрическая схема подключения | А | А | А | А | А | А | А |


