Схема обвязки: Электрокотел с теплым водяным полом
Водяной тёплый пол — это система отопления, которая может, частично (до 30%), разгрузить систему радиаторного отопления или полностью её заменить, если тепловой мощности теплого пола будет достаточно для компенсации теплопотерь помещения. Принцип работы системы водяного теплого пола прост. В качестве теплоносителя используют воду или незамерзающую жидккость. Она течет по специальной гибкой трубе, которая вмонтирована под поверхностью пола. За счет подогреваемой воды, которая циркулирует в системе теплого пола, тепло распространяется снизу вверх равномерно. Поэтому в помещении нет жарких зон или плохо прогреваемых участков.
Общая информация
Характеристики
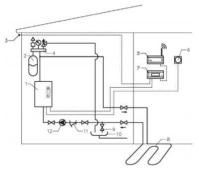
Схема подключения электрокотла в отопительную систему с теплым водяным полом.
При работе электрокотла на обогрев теплого пола, на терморегуляторе котла устанавливается максимально допустимая температура теплоносителя, подаваемая в теплый пол (53 °C). Комфортная температура в помещении поддерживается комнатным термостатом.
- Электрический котел
- Расширительный мембранный бак
- Датчик уличной температуры
- Группа безопасности
- GSM-модуль дистанционного управления
- Термостат комнатный
- Погодозависимый контроллер
- Теплый пол
- Вентиль для слива теплоносителя
- Слив
- Косой фильтр (грязевик)
- Циркуляционный насос

