Схема обвязки: Электрокотел с воздушно-отопительными приборами с водяным контуром
Водяные калориферы или водяные воздухонагреватели представляют собой вентилятор большой производительности с водяным теплообменником. Их применяют для экономичного воздушного отопления ангаров, цехов, складов, магазинов, выставочных залов, торговых комплексов, автосервисов, мастерских, спортзалов, теплиц, ферм. Водяные тепловентиляторы предназначены для обогрева закрытых помещений вне зависимости от наличия системы вентиляции.
Общая информация
Характеристики
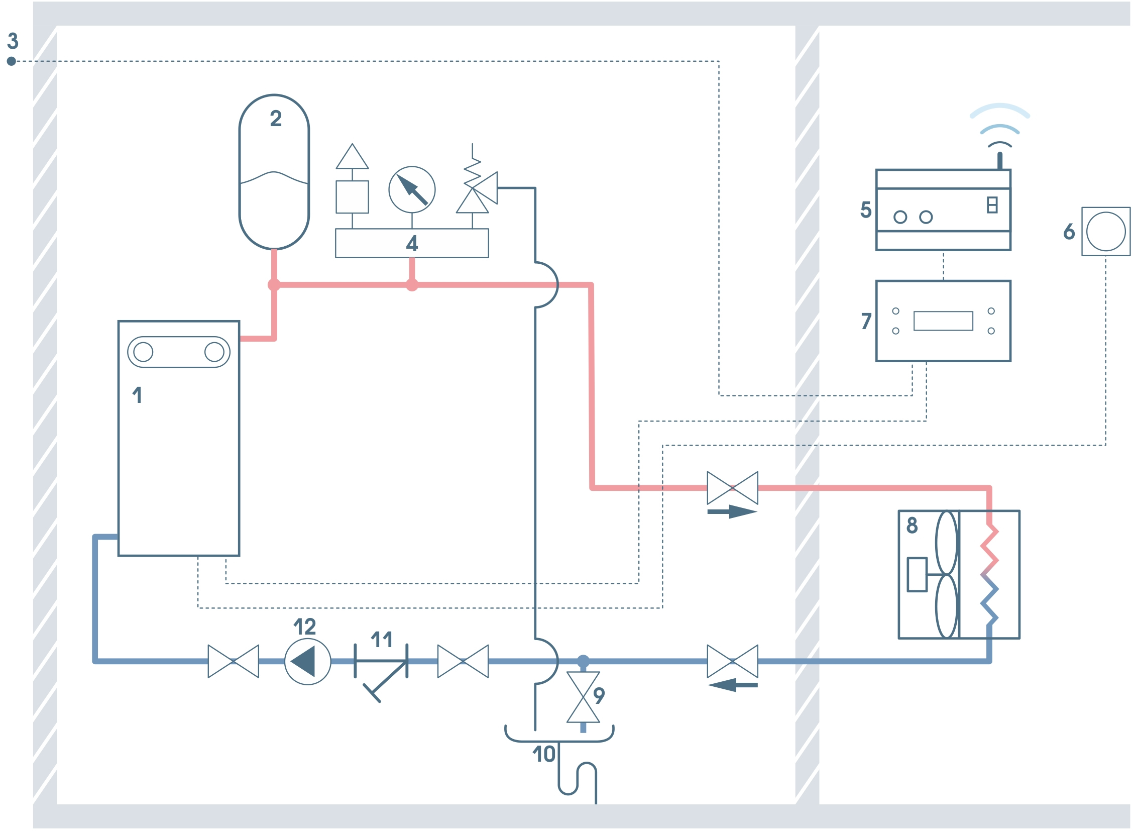
Схема подключения электрокотла в отопительную систему с воздушно-отопительными приборами с водяным контуром
Наиболее дешевый, быстрый и эффективный способ осуществить отопление помещений больших объемов это обустроить их системой воздушного отопления состоящей из электрокотлов и воздушно отопительных агрегатов.
- Электрический котел
- Расширительный мембранный бак
- Датчик уличной температуры
- Группа безопасности
- GSM-модуль дистанционного управления
- Термостат комнатный
- Погодозависимый контроллер
- Воздушно-отопительный прибор
- Вентиль для слива теплоносителя
- Слив
- Косой фильтр (грязевик)
- Циркуляционный насос


